Vòi xịt xà phòng tự động TLK08001G là giải pháp hoàn hảo cho không gian vệ sinh hiện đại. Sản phẩm tích hợp công nghệ cảm biến thông minh, cho phép người dùng lấy xà phòng mà không cần tiếp xúc trực tiếp, giúp tăng cường vệ sinh và tiết kiệm xà phòng.
Đặc điểm nổi bật của vòi xịt xà phòng tự động TOTO TLK08001G
- Thiết kế hiện đại, sang trọng: Bề mặt được mạ chrome bóng giúp sản phẩm luôn sáng đẹp, chống bám bẩn và dễ dàng vệ sinh.
- Cảm biến tự động: Công nghệ cảm biến hồng ngoại giúp vòi xịt hoạt động không cần chạm, tăng cường tính tiện lợi và vệ sinh.
- Ngăn chứa xà phòng có thể tháo rời: Giúp dễ dàng bổ sung và vệ sinh định kỳ, đảm bảo hoạt động bền bỉ.
Lợi ích củavòi xịt xà phòng tự động TOTO TLK08001G
- Tăng cường vệ sinh cá nhân: Hạn chế tiếp xúc với bề mặt vòi, giảm nguy cơ lây nhiễm vi khuẩn.
- Tiết kiệm xà phòng: Cung cấp lượng xà phòng vừa đủ cho mỗi lần sử dụng, tránh lãng phí.
- Phù hợp cho nhiều không gian: Thích hợp sử dụng trong nhà vệ sinh công cộng, khách sạn, bệnh viện và gia đình.
Thông số kỹ thuật
- Vật liệu: Đồng mạ Ni-Cr, bền bỉ và chống gỉ sét.
- Lượng xà phòng mỗi lần phun: 1.2ml.
- Nguồn năng lượng: AC 220V.
- Dung tích ngăn chứa xà phòng: (Cập nhật khi có thông tin chi tiết).
Lưu ý khi sử dụng
- Sản phẩm chưa bao gồm bộ điều khiển: Cần mua riêng các bộ điều khiển phù hợp như TLK01101AA, TLK01102AA, TLK01103AA, TLK01104AA.
- Sử dụng xà phòng theo khuyến cáo: Chỉ sử dụng dung dịch xà phòng được TOTO khuyến nghị để đảm bảo tuổi thọ sản phẩm.
- Bảo dưỡng định kỳ: Vệ sinh vòi xịt và ngăn chứa xà phòng thường xuyên để đảm bảo hiệu suất tốt nhất.
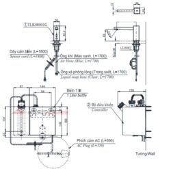
Bản vẽ kỹ thuật của vòi xịt xà phòng tự động TOTO TLK08001G
Bản vẽ kỹ thuật của vòi xịt xà phòng tự động TOTO TLK08001G


Đánh giá
Chưa có đánh giá nào.