Bồn tắm KALDEWEI Centro Duo Oval 127-7 – Đặt sàn độc lập được nhập khẩu trực tiếp từ Đức. Bồn tắm Kaldewei 127-7 với kiểu thiết kế đơn giản, trang nhã mang lại sự thoải mái cho người sử dụng.
Đặc điểm nổi bật bồn tắm Kaldewei Centro Duo Oval 127-7
- Thân bồn tắm được làm từ thép và thủy tinh có độ bền cao
- Men thép đặc biệt mang khả bề mặt hoàn hảo cho sản phẩm
- Khả năng chống xước và chông va đập tuyệt vời
- Khả năng kháng hóa chất, chống nóng cao
- Khả năng chống tia cực tím và thân thiện môi trường
- Bộ xả bền vững được làm từ vật liệu cao cấp
- Bề mặt nhẵn bóng giúp dễ dàng vệ sinh sản phẩm
- Thiết kế đặt sàn độc lập, hình Oval độc đáo
- Đạt tiêu chuẩn chất lượng và môi trường của Đức và EU
- Tuổi thọ lâu bền, bảo hành bề mặt lên đến 30 năm trên toàn thế giới
Thông số kỹ thuật Bồn tắm KALDEWEI Centro Duo Oval 127-7
- Tên sản phẩm : Bồn tắm đảo Kaldewei
- Mã sản phẩm : 127-7 / Centro Duo Oval
- Hãng sản xuất : Kaldewei
- Thiết kế : 2 khối chính (bồn – yếm), tắm nằm, kiểu đảo / 2 người
- Chất liệu chính: : Thép tráng men (độ dày 3.5mm) – Yếm: Nhựa-Composite – Dày 5-6mm (SX tại Đức)
- Kiểu lắp đặt : Kiểu đảo (đặt độc lập)
- Vị trí rốn xả : Trung tâm bồn
- Thể tích nước : ~ 156 lít
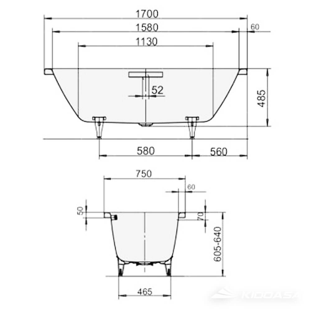
- Kích thước : D:1700 x R: 750 x C: 460 mm
- Trọng lượng : ~ 86kg / Màu sắc: Trắng
- Tiêu chuẩn : Chứng nhận bởi kỹ thuật của Đức & hiệp hội kiểm tra an toàn TÜV GS
- Xuất xứ : CHLB Đức (nhập khẩu chính hãng)
- Bảo hành : 360 tháng (bề mặt men, và thân bồn) / Bộ xả: 36 tháng
(Chưa bao gồm: vòi xả, ống nối sàn, tay vịn, chống trượt)
Bản vẽ kỹ thuật bồn tắm Kaldewei Centro Duo Oval 127-7

Trải nghiệm thực tế tại Showroom
Showroom KIDOASA tại 107 Trần Duy Hưng, Trung Hòa, Cầu Giấy, Hà Nội được thiết kế theo phong cách sang trọng, tinh tế và khoa học của Nhật Bản. Các sản phẩm trưng bày sáng tạo và thông minh, mang đến những trải nghiệm chân thực nhất cho khách hàng. Tại showroom, khách hàng được trực tiếp sờ, thử, chạm và cảm nhận những công nghệ xả rửa tiên tiến hàng đầu thế giới.
Ngoài sản phẩm Bồn tắm Kaldewei Centro Duo Oval 127-7, showroom KIDOASA còn trưng bày rất nhiều sản phẩm chất lượng khác đến từ các thương hiệu bồn tắm hàng đầu thế giới như Toto, Grohe,… cho khách hàng trải nghiệm và lựa chọn.
Bồn tắm Kaldewei Centro Duo Oval 127-7 có thiết kế tinh tế và sang trọng, kích thước vừa phải thích hợp lắp đặt với nhiều không gian phòng tắm.
Tuy nhiên để chọn mua được một sản phẩm có kích thước phù hợp nhất với phòng tắm gia đình, khách hàng hãy liên hệ ngay tới KIDOASA để được tư vấn chi tiết và chính xác nhất. Sau khi tiếp nhận yêu cầu tư vấn của khách hàng, đội ngũ kỹ thuật viên KIDOASA sẽ đến khảo sát thực tế tại công trình và gợi ý cho khách hàng những sản phẩm lý tưởng.
Và khi khách hàng đã chọn được chiếc bồn cầu ưng ý, KIDOASA sẽ cử kỹ thuật viên chuyên nghiệp đến lắp đặt trực tiếp và đảm bảo sản phẩm hoạt động tốt nhất.
Chính sách bảo hành
Bảo hành chính hãng từ KALDEWEI
Bồn tắm Kaldewei Centro Duo Oval 127-7 được bảo hành chính hãng 360 tháng/ 30 năm (Men thép và thân bồn) trên toàn cầu – 36 tháng cho bộ xả và yếm.
Bảo hành của KIDOASA
Xử lý thông tin và phản hồi cho khách hàng chậm nhất trong vòng 24h kể từ thời điểm tiếp nhận thông tin khách hàng. Xử lý bảo hành trong cả 7 ngày/ tuần (trừ các ngày Lễ, ngày Tết).
Thời gian tiếp nhận thông tin của KIDOASA CARE từ: 8h00 – 21h00 hàng ngày. Thời gian khắc phục sự cố cho khách hàng trong khoảng thời gian từ 8h00 – 19h00 hàng ngày.
Hỗ trợ cho khách hàng mượn sản phẩm để dùng trong quá trình bảo hành sản phẩm. Đặc biệt: KIDOASA luôn sẵn sàng tư vấn, hỗ trợ khách hàng khắc phục mọi sự cố trên sản phẩm kể cả những sản phẩm không do chúng tôi cung cấp.
Khách hàng mua bồn cầu tại KIDOASA sẽ được tặng gói bảo dưỡng sản phẩm định kỳ mỗi 6 và 12 tháng (tùy từng model).
Các kỹ thuật viên sẽ tiến hành kiểm tra hệ thống hoạt động, làm sạch, tẩy cặn bẩn giúp tăng tuổi thọ sử dụng, trả lại vẻ đẹp sáng bóng như mới cho sản phẩm.
Ngoài ra đây cũng là cơ hội để kỹ thuật viên của KIDOASA hỗ trợ, hướng dẫn lại khách hàng cách sử dụng và chăm sóc sản phẩm hiệu quả.






Đánh giá
Chưa có đánh giá nào.