Vòi xịt xà phòng tự động TOTO TLK07002G là sản phẩm cao cấp, được thiết kế để mang đến sự tiện lợi và vệ sinh tối đa. Sản phẩm tích hợp công nghệ cảm biến hồng ngoại, cho phép lấy xà phòng mà không cần chạm tay, giảm nguy cơ lây nhiễm vi khuẩn. Với lớp mạ chrome bóng, sản phẩm không chỉ bền bỉ mà còn mang lại vẻ đẹp sang trọng, phù hợp với nhiều không gian như nhà ở, khách sạn, trung tâm thương mại và bệnh viện.
Đặc điểm nổi bật của vòi xịt xà phòng tự động TOTO TLK07002G
- Thiết kế hiện đại, sang trọng: Bề mặt được mạ chrome bóng giúp sản phẩm luôn sáng đẹp, chống bám bẩn và dễ dàng vệ sinh.
- Cảm biến tự động: Công nghệ cảm biến hồng ngoại giúp vòi xịt hoạt động không cần chạm, tăng cường vệ sinh và tiện lợi.
- Ngăn chứa xà phòng có thể tháo rời: Dễ dàng bổ sung và vệ sinh, đảm bảo sản phẩm hoạt động bền bỉ và hiệu quả.
- Dễ dàng rửa sạch: Thiết kế tối ưu giúp người dùng dễ dàng làm sạch sản phẩm mà không tốn nhiều công sức.
Lợi ích của vòi xịt xà phòng tự động TOTO TLK07002G
- Tăng cường vệ sinh cá nhân: Giảm thiểu tiếp xúc trực tiếp với vòi xịt, hạn chế nguy cơ lây nhiễm vi khuẩn.
- Tiết kiệm xà phòng: Định lượng chính xác lượng xà phòng mỗi lần sử dụng, tránh lãng phí.
- Phù hợp với nhiều không gian: Lý tưởng cho nhà vệ sinh công cộng, khách sạn, bệnh viện và gia đình.
Thông số kỹ thuật
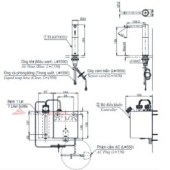
- Vật liệu: Đồng mạ Ni-Cr, bền bỉ và chống gỉ sét.
- Lượng xà phòng mỗi lần phun: 1.2ml.
- Nguồn năng lượng: AC 220V 50/60Hz.
- Dung tích ngăn chứa xà phòng: 1L.
Lưu ý khi sử dụng
- Sản phẩm chưa bao gồm bộ điều khiển: Cần mua riêng các bộ điều khiển phù hợp như TLK01101AA, TLK01102AA, TLK01103AA, TLK01104AA.
- Sử dụng xà phòng theo khuyến cáo: Chỉ sử dụng dung dịch xà phòng do TOTO khuyến nghị để đảm bảo tuổi thọ sản phẩm.
- Bảo dưỡng định kỳ: Vệ sinh vòi xịt và ngăn chứa xà phòng thường xuyên để duy trì hiệu suất hoạt động tốt nhất.
Bản vẽ kỹ thuật của vòi xịt xà phòng tự động TOTO TLK07002G
Bản vẽ kỹ thuật của vòi xịt xà phòng tự động TOTO TLK07002G


Đánh giá
Chưa có đánh giá nào.