Chậu rửa mặt TOTO LHT767CR thiết kế dầy dặn, luôn đếm đến cảm giác chắc chắn cho người sử dụng. TOTO đã áp dụng những công tiến tiến nhất cho LHT767. Chậu rửa LHT767 luôn là sự lựa chọn hàng đầu của khách hàng.
Đặc điểm nổi bật Chậu rửa mặt TOTO LHT767CR
- Chậu lavabo được làm từ chất liệu sứ vệ sinh cao cấp, phủ thêm lớp men tạo độ bề lâu hơn cho sản phẩm
- Chậu LHT767C được thiết kế theo kiểm trao tường, thành chậu thiết kế dầy, các mép cạnh được bo tròn tạo sự mềm mại cho sản phẩm.
- Ứng dụng công nghệ men CeFIONtect siêu mịn, đây là bước đột phá làm thay đổi kết cấu bề mặt sứ. Lớp men siêu nhẵn có khả năng ngăn chất bẩn và vi khuẩn bám trên bề mặt sản phẩm.
Thông số kĩ thuật Chậu rửa mặt TOTO LHT767CR
- Tên sản phẩm : Chậu Lavabo treo tường LHT767C
- Mã sản phẩm : LHT767C
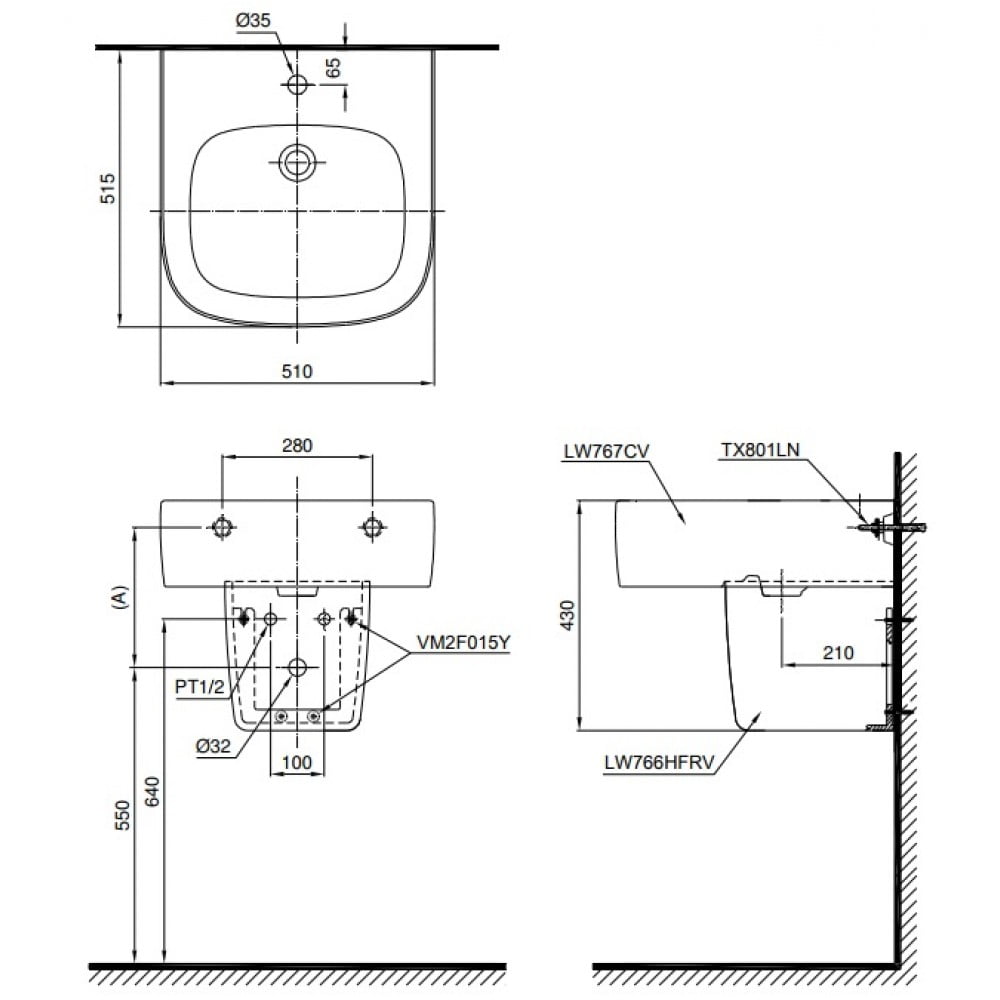
- Kích thước : 510×515 mm
- Hãng sản xuất : TOTO
- Xuất xứ : Việt Nam
- Màu sắc : Màu trắng#
Bản vẽ kĩ thuật Chậu rửa mặt TOTO LHT767CR
Bản vẽ kĩ thuật Chậu rửa mặt TOTO LHT767CR



Đánh giá
Chưa có đánh giá nào.