Bàn cầu treo tường kèm nắp rửa điện tử CW553C#XW/TCF34570GAA#NW1 WH172AAT/TCA502/MB174P#SS là sự lựa chọn hoàn hảo cho những không gian phòng tắm hiện đại và sang trọng. Với thiết kế tinh tế, tối giản và các công nghệ tiên tiến nhất hiện nay, sản phẩm không chỉ mang lại sự tiện nghi mà còn đảm bảo vệ sinh an toàn tuyệt đối cho người sử dụng.
Tính năng nổi bật của bàn cầu treo tường kèm nắp rửa điện tử CW553C#XW/TCF34570GAA#NW1 WH172AAT/TCA502/MB174P#SS
- Thiết kế giấu dây tinh tế, mang lại thẩm mỹ cao cho không gian phòng tắm.
- Men sứ CEFIONTECT chống dính, chống bám bẩn giúp duy trì vẻ sáng bóng và dễ dàng vệ sinh.
- Hệ thống xả Tornado xoáy mạnh mẽ, hoạt động êm ái, tiết kiệm nước hiệu quả.
- Thiết kế vành kín, dễ dàng vệ sinh, đảm bảo luôn sạch sẽ.
- Tính năng tự động xả nước, mang lại sự tiện lợi vượt trội.
- Vòi rửa vệ sinh EWATER+, khử trùng bằng nước điện phân trước và sau khi sử dụng, mang lại sự an toàn tuyệt đối.
- Phun sương lòng bồn cầu trước khi sử dụng, giữ cho bề mặt luôn sạch sẽ.
- Vòi rửa massage đa chức năng: rửa trước, rửa sau, rửa áp lực và rửa dịch chuyển mang đến trải nghiệm thoải mái và sạch sẽ.
- Tự động vệ sinh vòi rửa trước và sau khi sử dụng.
- Điều khiển cầm tay sang trọng, tiện lợi cho người dùng.
Thông số kỹ thuật
- Hệ thống xả: Tornado
- Lượng xả: 4.5/3 L
- Tâm xả: 220 mm
- Kiểu dáng: Thân chữ D, thân kín, giấu dây
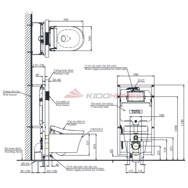
- Kích thước: 540D x 380W x 335H mm
- Áp lực nước: 0.05 ~ 0.75 Mpa
- Két nước: WH172AAT
- Nắp rửa điện tử WASHLET: TCF34570GAA
- Van dừng: TCA502
Bản vẽ kỹ thuật của bàn cầu treo tường kèm nắp rửa điện tử CW553C#XW
Bản vẽ kỹ thuật của bàn cầu treo tường kèm nắp rửa điện tử CW553C#XW

Đánh giá
Chưa có đánh giá nào.