Chậu Lavabo đặt bàn dương vành L909C thiết kế kiểu dáng ô van của dòng sản phẩm Pacifica khơi dậy một cảm giác đầy quyến rũ từ những đường nét tuyệt đẹp được cảm tác bởi giọt nước rơi từ chiếc lá xanh.Thiết kế sang trọng, hiện đại ( dùng cho bàn đá), lòng chậu sâu, rộng rãi giúp thoải mái khi sử dụng, thiết kế với lỗ thoát tràn an toàn.
Đặc điểm nổi bật chậu rửa mặt TOTO L909C
- Chậu có thiết kế hình ô van kết hợp những đường cong mềm mại đem đến sự tinh tế, hiện đại.
- Công nghệ men chống bám bẩn Cefiont Tect giúp hạn chế tối đa sự hình thành vết bẩn, phát triển của vi khuẩn.
- Được làm từ chất liệu sứ thiết bị vệ sinh cao cấp với khả năng chịu lực, trầy xước cao
- Lòng chậu sâu, thoải mái sử dụng
- Lỗ thoát tràn chống khả năng tràn nước ngay cả khi quên đóng vòi rửa.
- Dễ dàng lắp đặt, sử dụng sản phẩm
Thông số kỹ thuật chậu rửa mặt TOTO L909C
- Tên sản phẩm: Chậu rửa mặt TOTO
- Mã sản phẩm: L909C
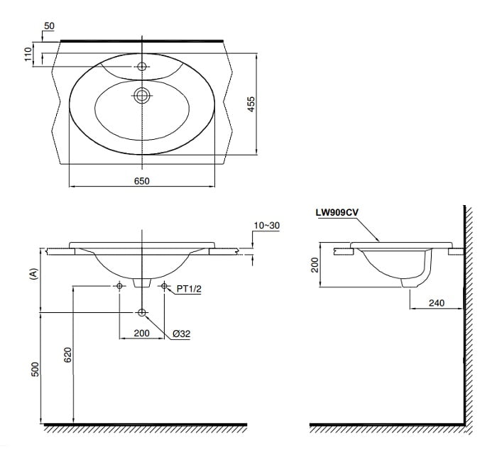
- Kích thước: 650×455 mm
- Màu sắc: Màu trắng
- Có men chống bám bẩm CenfionTech
- Sản phẩm không bao gồm vòi và bộ xả
Bản vẽ kỹ thuật chậu rửa mặt TOTO L909C
Bản vẽ kỹ thuật chậu rửa mặt TOTO L909C



Đánh giá
Chưa có đánh giá nào.