Bộ sen tắm nóng lạnh kèm thanh trượt Grohe 23603000/27231001 là sản phẩm được thiết kế kiểu tay gạt nhẹ nhàng rất thẩm mỹ giúp người dùng sử dụng dễ dàng tiện lợi. Bộ tay sen&thanh treo Grohe Euphoria Massage 27231001 là sự kết hợp của 2 sản phẩm tay sen cao cấp và thanh treo tạo nên một sản phẩm đồng bộ, tối ưu sản phẩm hiệu quả mang đến sự sang trọng tiện nghi cho không gian phòng tắm của gia đình bạn.
Đặc điểm nổi bật của sen tắm nóng lạnh kèm thanh trượt Grohe 23603000/27231001
- Sen tắm ứng dụng công nghệ tiết kiệm nước giúp giảm năng lượng tối đa nhưng vẫn đảm bảo việc vận hành hoàn hảo, dòng nước chảy êm ái tạo sự thư giãn cho người sử dụng.
- Thanh trượt sen được làm từ chất liệu bền bỉ, không gỉ và bám cặn với thời gian.
- Lớp mạ chrome giúp hạn chế bám bẩn và bảo vệ sản phẩm khỏi bong tróc, tăng tuổi thọ của sản phẩm.
- Điều khiển nhiệt độ dễ dàng, chính xác.
- Đầu sen tắm Grohe phân bổ nước tới từng tia phun một cách tối ưu.
- Hệ thống chống vôi LineClean giúp chống loại bỏ vôi sau 1 lần lau
Thông tin chi tiết của sen tắm nóng lạnh GROHE 23603000/27231001
| Mã sản phẩm | : | 23603000/27231001 |
| Tên sản phẩm | : | Sen tắm nóng lạnh kèm thanh trượt Grohe BauLoop |
| Hãng sản xuất | : | GROHE |
| Chế độ rửa | : | Nóng lạnh |
| Xuất xứ | : | Đức – Thái Lan |
| Chất liệu | : | Đồng mạ Chrome |
| Công nghệ | : | Tiêu chuẩn Châu Âu |
| Áp lực nước | : | 0.05MPa ~ 0.75 MPa |
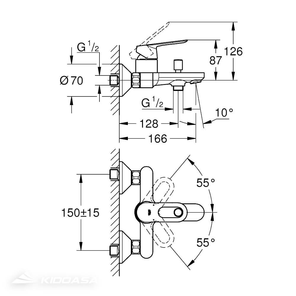
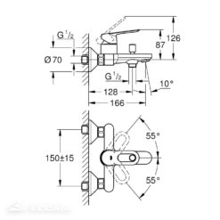
Bản vẽ kỹ thuật của sen tắm nóng lạnh GROHE 23603000/27231001











Đánh giá
Chưa có đánh giá nào.