Chậu lavabo đặt bàn Grohe 39070001 đến từ thương hiệu Châu Âu với thiết kế tinh tế, hiện đại và đẳng cấp, chậu 39070001 luôn là sự lựa chọn hoàn hảo của mỗi gia đình.
Đặc điểm nội bật của chậu lavabo đặt bàn Grohe 39070001
- Chậu lavabo thiết kế đặt bàn được làm từ xứ vệ sinh cao cấp của Grohe, bên ngoài phủ thêm lớp men nhẵn bóng giúp làm tăng tính thẩm mỹ và tuổi thọ của sản phẩm.
- Lòng chậu thiết kế sâu giúp cho việc thoát nước nhanh, khô ráo, tạo sự thoả mái khi sử dụng sản phẩm.
- Với thiết kế hình elip, dễ dàng phối với các thiết bị khác trong phòng tắm.
- Chậu thiết kế với lỗ thoát tràn, giúp chống tràn nước ra khỏi chậu.
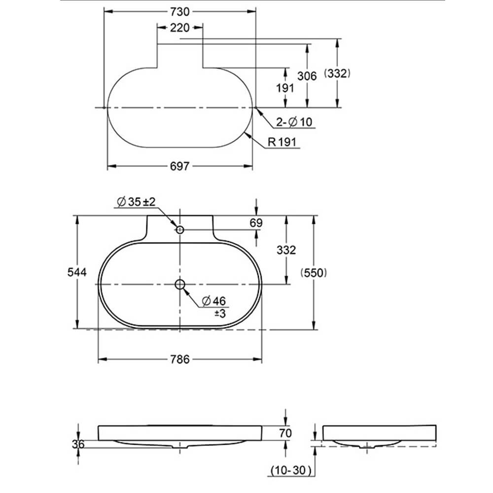
- Thông số kỹ thuật của chậu lavabo đặt bàn Grohe 39070001
Thông số kỹ thuật của chậu lavabo đặt bàn Grohe 39311000
| Mã sản phẩm | : 39070001 |
| Tên sản phẩm | : Chậu lavabo đặt bàn Grohe Eurocosmo |
| Màu sắc | : trắng |
| Kích thước | : 786x544mm |
Bản vẽ kỹ thuật của chậu lavabo đặt bàn Grohe 39311000
Bản vẽ kỹ thuật của chậu lavabo đặt bàn Grohe 39311000





Đánh giá
Chưa có đánh giá nào.