Trong không gian phòng tắm hiện đại, từng chi tiết nhỏ đều góp phần tạo nên sự tiện nghi và thẩm mỹ tổng thể. Vòi chậu nóng lạnh TOTO TLG13301A – thuộc dòng GT, dáng vòi thấp – là lựa chọn lý tưởng cho những gia chủ mong muốn kết hợp công nghệ tiên tiến, chất liệu bền bỉ và thiết kế tinh tế trong cùng một sản phẩm.

Tính năng nổi bật của vòi chậu nóng lạnh TOTO TLG13301A dòng GT
- Công nghệ gạt êm ái: Giúp điều chỉnh nhiệt độ và lưu lượng nước dễ dàng, chính xác, hạn chế tiếng ồn khi sử dụng.
- Thiết kế sang trọng, tinh tế: Dáng vòi thấp gọn gàng, phù hợp với các kiểu lavabo đặt bàn hoặc âm bàn, mang lại sự hài hòa cho không gian.
- Lớp mạ Niken dày gấp 3 lần: Tạo độ sáng bóng lâu dài, chống ăn mòn, chống bám bẩn hiệu quả.
- Tích hợp tính năng nóng – lạnh tiện dụng, đáp ứng nhu cầu sinh hoạt hàng ngày của cả gia đình.
Thông số kỹ thuật của vòi chậu nóng lạnh TOTO TLG13301A dòng GT (dáng thấp)
- Mã sản phẩm: TLG13301A (dáng vòi thấp – dòng GT).
- Chất liệu: Đồng nguyên chất, phủ Niken – Crom cao cấp.
- Áp lực nước hoạt động: 0.05 ~ 1.0 MPa, thích hợp với nhiều hệ thống cấp nước tại Việt Nam.
- Phụ kiện đi kèm: Bộ xả đồng bộ.
- Lưu ý: Sản phẩm không bao gồm ống thải chữ P.
Lợi ích khi lựa chọn TOTO TLG13301A
- Độ bền vượt trội, giữ vững hình thức và công năng sau thời gian dài sử dụng.
- Dáng thấp nhỏ gọn, đặc biệt tối ưu cho những phòng tắm có diện tích vừa và nhỏ.
- Sự kết hợp hài hòa giữa công nghệ tiên tiến và thiết kế tối giản, góp phần nâng tầm đẳng cấp phòng tắm.
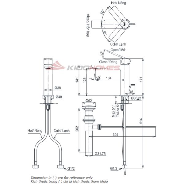
Bản vẽ kỹ thuật của vòi chậu nóng lạnh TOTO TLG13301A dòng GT (dáng thấp)
Bản vẽ kỹ thuật vòi chậu nóng lạnh TOTO TLG13301A dòng GT (dáng thấp)Với những ưu điểm nổi bật về thiết kế, độ bền và tính năng sử dụng, vòi chậu nóng lạnh TOTO TLG13301A dòng GT dáng thấp không chỉ là thiết bị vệ sinh, mà còn là điểm nhấn giúp không gian phòng tắm trở nên sang trọng và hiện đại hơn. Đây chắc chắn là lựa chọn thông minh cho gia chủ đề cao cả giá trị thẩm mỹ lẫn trải nghiệm tiện nghi.
Xem thêm: Các mẫu vòi chậu rửa mặt TOTO chính hãng tại đây!


Đánh giá
Chưa có đánh giá nào.